设为主页
加入收藏
网站首页
走进乌兰
新闻中心
集团产业
职工园地
联系我们
董事长寄语
集团简介
企业文化
集团荣誉
集团要闻
媒体聚焦
公示公告
煤炭产运销及深加工
煤转化
餐饮住宿
酿酒
建材
乳业
化工
图说乌兰
职工园地
员工风采
简历投递
最新招聘
集团总部
集团要闻
媒体聚焦
公示公告
首页
>
新闻中心
>
公示公告
>
公示公告
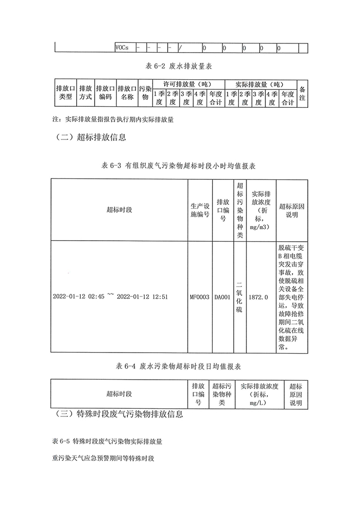
2022年乌兰瑞丰热电环境信息公开内容
发布时间:1169 天前 浏览次数:227次 【字号:
大
中
小
】